山東博科儀器有限公司
聯系人:郝經理
聯系電話:15666889209
客服QQ:591259053
公司郵箱:[email protected]
公司地址:山東省濰坊高新區新城街道玉清社區金馬路1號歐龍科技園3號車間1樓104

聯系人:郝經理
聯系電話:15666889209
客服QQ:591259053
公司郵箱:[email protected]
公司地址:山東省濰坊高新區新城街道玉清社區金馬路1號歐龍科技園3號車間1樓104
1.水質浮漂監測站SFA集數據采集、存儲、傳輸和管理于一體的無人值守的采集系統。它在工農業生產、旅游、城市環境監測、地質災害、防洪、供水調度、電站水庫水情管理等為目的水文自動測報系統;功能強大的上位機軟件可遠程觀測實時水雨情信息,具有數據庫、報表、下載等功能,用戶還可利用該功能完善的氣象軟件對記錄的數據作進一步的處理分析。
2.水質監測系統具體由水質傳感器、數據采集儀、通訊系統、供電系統、整體 支架、水質監測平臺六部分組成。可同時監測水溫、PH、溶解氧、電導率、氨氮、 濁度、COD等,多項水質要素。數據采集儀具有數 據采集、實時時鐘、數據定時存儲、參數設定和標準2G/4G(GPRS)通信功能。
二、產品特點
1.易部署:各類型探頭進行高度集成,安裝方便;提供免費云平臺服務,系統快速上線;
2.易維護:設備安裝后,自行工作即可,無需人工值守,也可以通過遠程監控的方式保障設備的正常運行;
3.易擴展:傳感器探頭均使用統一的通信協議,可以快速對接原設備,快速擴展監測參數;
4.低功耗:設備可以實現低功耗狀態下,長時間運行,增加設備使用的便利性;
5.實時性:設備監測到的數據實時傳輸至云平臺,提升環境數據反饋的及時性。
三、技術參數
1. 主體參數
| 產品名稱 | 描述 |
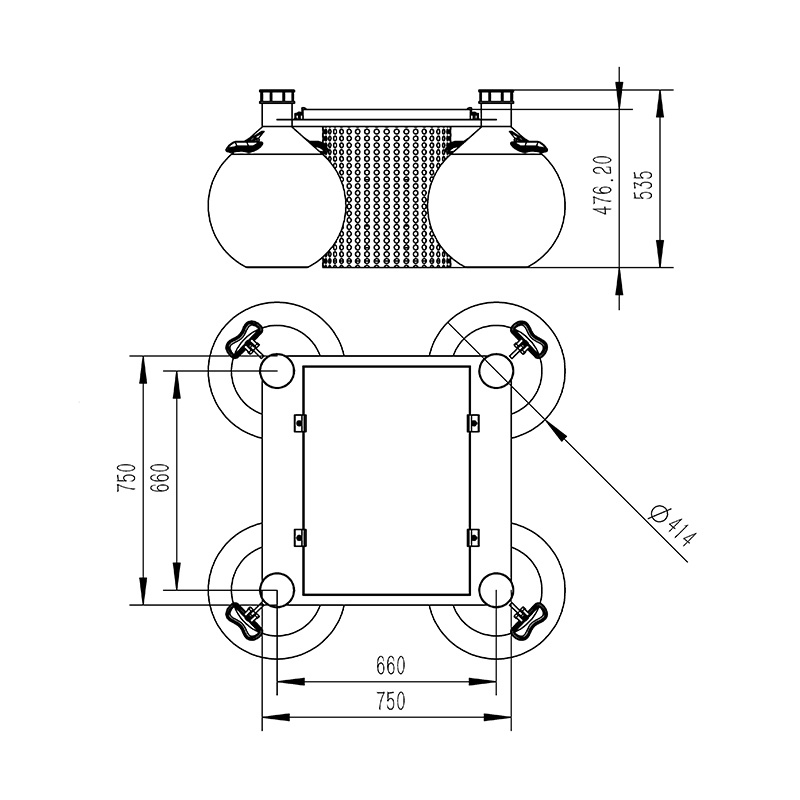
| 環境水質監測浮標 | 可實時實現多路參數在線監測。可實現電池電量監控。可實現云平臺數據監控、數據推送、數據的存儲和報警功能;數據的無線發射功能。峰值功耗為 5W;傳感器功耗 0.25W左右/只。外形尺寸:750mm*750mm*535mm。浮球直徑414mm重量:22kg |
| 采集器數據采集 | 運行可靠,抗干擾,可集成多路RS485/MODBUS-RTU從站設備 |
| 采集器數據輸出 | 1 路 Rs485/JSON協議輸出 |
| 電池 | 鋰電池 12VDC,20AH(默認) |
| 太陽能電池板 | 22.1V/50W(默認) |
| 供電能力 | 定制選型;陰雨天間歇工作 5天以上 |
| 位置指示(選配) | 警示燈;GPS 定位; |
| 監測平臺 | 云平臺;手機/電腦多終端登錄 |
| 防護罩 | 304 不銹鋼濾筒防護罩 |
| 浮體 | 直徑414mm 球形浮體*4工程塑料 |
2.可選配傳感器的主要參數
| 序號 | 傳感器類型 | 測量范圍 | 測量原理 | 測量精度 |
| 1 | 溫度 | 0~50℃ | 高精度數字傳感器 | ±0.3℃ |
| 2 | pH | 0~14(ph) | 電化學(鹽橋) | ± 0.1PH |
| 3 | 溶解氧 | 0~20mg/L | 熒光壽命法 | ± 2% |
| 4 | 電導率 | 0~5000uS/cm | 接觸式電極法 | ± 1.5% |
| 5 | 濁度 | 0~40NTU(選配) | 散射光法 | ± 1% |
| 6 | ORP | -1500mv~1500mv | 電化學(鹽橋) | ± 6mv |
| 7 | 銨離子 | 1-100mg/l | 離子選擇電極法 | ± 5mg |
可根據客戶的實際情況及所要達到的技術指標定制合適的檢測方案
注意: 傳感器安裝時不能倒置或者水平安裝, 至少傾斜 15 度角以上安裝,
以上水質傳感器工作環境0-50℃,<0.3Mpa。
四、產品尺寸圖

五、設備安裝要求
1.遠離大功率無線電發射源
2.遠離高壓輸電線和微波無線電傳送通道
3.盡量靠近數據傳輸網絡
在城市內澇問題治理中,城市內澇監測系統?的數據能夠對包括調度排水設備、指引交通疏導、救災開展等工作提供幫助。
雷達水位監測站能夠自動完成水文數據的監測工作,然后將數據傳輸到云平臺中。管理方可以根據監測到的水文數據做河道的管理工作,為水資源管理和防汛防澇工作提供數據支持。
借助道路積水監測站和管網液位計等設備,掌握城市積水狀況以及管網排水能力,將內澇防治從被動應對轉變為主動應對,更好的保障城市的安全穩定運行。
在自然水域中有很多的地方安裝使用了水文監測站。水文監測站能夠監測水位、流速、流量等多種數據,在很多地方發揮了重要作用。
大壩水位監測系統是一款能夠實時測量水庫區域降雨數據和水庫大壩區域水位數據的設備,該設備能夠全天不間斷的監測水位數據的變化
河道水位監測站采用非接觸式雷達技術來測量水位數據,其精準性好,不受風、溫度、霧霾、泥沙、漂浮物等影響。
LS300-B型便攜式流速流量儀(簡稱便攜式流速儀)是專門為水文站、廠礦、環保監測站、農田排灌、水文地質調查等部門在野外進行明渠流速流量測量而研制的。
BK-LSZ03實時水質監測設備是一款能夠在線監測水質狀況的水質監測設備,可24小時不間斷在線監測水質變化,能夠采集水溫、電導率、PH值等水質數據
氣泡式水位計適合中小河流水位、發電廠調壓井水位、大壩上下游水位的測量、化工、煤礦、污水處理、自來水廠等處的水位及液位的監測。
水庫水質監測設備是能夠借助水質傳感器監測和分析各項水質參數,并將采集的數據傳輸到平臺端,進行實時數據的遠程查看和設備的遠程管理。




